一心一意 互助互利
服务热线:
0799-7556111
首页
公司简介
公司介绍
企业文化
检测设备
产品中心
一二次融合传感器
10~35kV户内电压互感器
10~35kV户内电流互感器
10~35kV组合式互感器
10~35kV户外电流电压互感器
国标互感器
高低压预付费
荣誉资质
样本册
资料下载
电子样本
解决方案
新闻中心
公司新闻
技术动态
联系我们
首页
产品中心
一二次融合传感器
产品展示
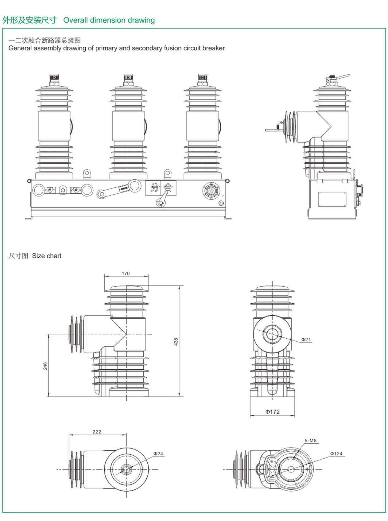
YTJL10-720-JZE一体化极柱传感器
产品参数
返回
下一个:YTJL10-720-WG外挂式传感器
返回列表
点击隐藏
电话
0799-7556111
微信